0755-82908211 info@sensorstech.com 耐特恩网站
Products 产品详情
6KA40 系列六分量传感器

6KA40 系列六分量传感器

上市日期: 2025-12-31

HUATRAN

量程范围:Fxyz=50N-2000N,Mxyz=5Nm-40Nm 

精度范围:≤0.3%F.S

六轴力传感器适用于可在三个相互垂直的轴向进行力和扭矩测量,具有大扭矩测量范围与小外径的双重优势

适用于空航天,机器人领域(如碰撞检测.机器末端控制),磨床切削力,运动力学等场景测量控制

  • 技术参数
  • 尺寸图
  • 相关下载


6KA40 系列六分量传感器


   


   

参 数 指 标

量程

Fx/Fy:50N-500N,Fz:200N-2000N,Mx/My: 2Nm-20Nm,Mz:5Nm-40Nm

额定力 Fx

±50N,±200N,±500N

额定力 Fy

±50N,±200N,±500N

额定力 Fz

±200N,±500N,±2000N

额定力 Mx

±5Nm, ±5Nm, ±20Nm

额定力 My

±5Nm, ±5Nm, ±20Nm

额定力 Mz

±5Nm, ±10Nm, ±40Nm

灵敏度

0.8~1.5mV/V

零点输出

≤3%F.S

安全过载

200%F.S

极限过载

400%F.S

外壳材质

铝合金

      

参数指标

线性度

0.3%FS

重复性

0.1%FS

串扰

2.5%FS

电气参数

参数指标

激励电压

5~10VDC

输入阻抗

350±30 Ω

输出阻抗

350±30 Ω

接口方式

参数指标

输出接口

航插接口(默认)

线缆长度

3m(默认)

温度环境

参数指标

工作温度

-20 ~ 60 ℃

存储温度

-20 ~ 85 ℃

防护等级

IP65

其他

参数指标

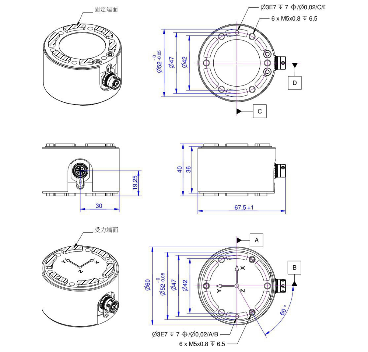
尺寸

Φ60 * H40mm ,具体见尺寸图


6KA40 系列六分量传感器

0755-82908211 info@sensorstech.com 耐特恩公众号
友情链接:    必优  |  必优网  |  华创测试  |  多分量传感器  |  力传感器  |  压力传感器  |  扭矩传感器
Copyright © 2022 深圳耐特恩科技有限公司



 

 

犀牛云提供云计算服务
ignore
5
电话
    ignore
6
二维码
    ignore
分享