0755-82908211
info@sensorstech.com
耐特恩网站
首页
产品中心
热销产品
多分量传感器
三分量传感器
六分量传感器
拉扭复合力传感器
二分量力传感器
力传感器
轮辐式力传感器
柱式力传感器
S型力传感器
专用力传感器
中空垫圈式力传感器
拉杆式力传感器
踏板力传感器
销轴力传感器
张力传感器
环形式力传感器
剪切式力传感器
应变计
换挡力
扭矩传感器
动态扭矩传感器
静态扭矩传感器
位移传感器
编码器
LVDT位移传感器
激光位移传感器
拉绳位移传感器
电涡流位移传感器
角位移传感器
电子尺
光栅尺
加速度传感器
单轴加速度传感器
多轴加速度传感器
激振器
仪器仪表
显示仪表
放大器
模拟放大器
数字放大器
多分量测力平台
专用传感器
其他传感器
温度压力传感器
温度传感器
流体压力传感器
压力传感器
行业应用
航空航天行业
飞机定姿调位器装配
发动机对中过程装配
航空发动机试车台测试
起落架落震&摆震实验
发动机质心测量
船舶&近海工程
船舶螺旋桨推力与扭矩测试
水动力流体波高研究测试
其他
自动化
机器人装配及测试
光伏行业
光伏硅片数控机床切割应用
汽车行业
汽车路谱测试
汽车座椅试验机应用
汽车悬架KC 试验台
汽车制动卡钳夹紧力测试
汽车转向系统扭矩测试
其他
医疗&健康行业
高端医疗设备助力推行
康复机器人关节应用
其他
精密机床
磨床机床切削力测试
其他
品牌中心
HUATRAN
多分量传感器
三分量传感器
六分量传感器
拉扭复合力传感器
力传感器
中空垫圈式力传感器
销轴力传感器
踏板力传感器
拉杆式力传感器
专用力传感器
柱式力传感器
轮辐式力传感器
S型力传感器
扭矩传感器
静态扭矩传感器
动态扭矩传感器
位移传感器
拉绳位移传感器
LVDT位移传感器
激光位移传感器
编码器
电子尺
倾角位移传感器
超声波位移传感器
磁致伸缩位移传感器
光栅尺
加速度传感器
多轴加速度传感器
单轴加速度传感器
压力传感器
压电式力传感器
温度传感器
流体压力传感器
放大器&仪表
显示仪表
放大器
数字量放大器
模拟量放大器
张力传感器
FS53
德国ME
多分量传感器
三分量传感器
六分量传感器
力传感器
柱式力传感器
S型力传感器
扭矩传感器
静态扭矩传感器
仪器仪表
显示仪表
放大器
美国Interface
多分量传感器
拉扭复合力传感器
力传感器
专用力传感器
柱式力传感器
轮辐式力传感器
S型力传感器
扭矩传感器
静态扭矩传感器
动态扭矩传感器
仪器仪表
显示仪表
放大器
英国AML
多分量传感器
拉扭复合力传感器
力传感器
拉扭复合
拉力计
踏板力
拉杆式力传感器
销轴力传感器
剪切式力传感器
轮辐式力传感器
中空垫圈
拉压双向
柱式单压力传感器
S型力传感器
柱式力传感器
位移传感器
LVDT位移传感器
拉绳位移传感器
仪器仪表
显示仪表
放大器
压力传感器
扭矩传感器
静态扭矩传感器
动态扭矩传感器
白俄罗斯TT
遥测系统
拉扭复合传感器
扭矩传感器
DynaLabs
激振器
多轴加速度传感器
单轴加速度传感器
更多品牌
NCTE
GP:50
MMF
lorenz
WAYCON
STI
KAMAN
J-TEC
ATI
Vishay
ETH
KA
关于我们
公司简介
联系我们
新闻资讯
公司新闻
传感知识
行业快讯
网站更新日志
产品中心
Products
HUATRAN
德国ME
美国Interface
英国AML
白俄罗斯TT
DynaLabs
更多品牌
Products
产品详情
您现在的位置:
首页
→
品牌中心
→
更多品牌
>
GP:50
>
温度压力传感器
>
压力传感器
Model 311Z, I, GI, AI
上市日期:
2017-03-29
GP:50
量程:0~75K PSI
精度:±0.1%
技术参数
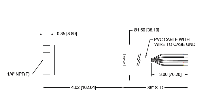
尺寸图
相关下载
Model 311Z, I, GI, AI
文件格式:
文件大小:
2189195
日期:
2017
-
03
-
20
下载
产品中心
热销产品
多分量传感器
力传感器
扭矩传感器
位移传感器
加速度传感器
仪器仪表
多分量测力平台
专用传感器
其他传感器
行业应用
航空航天行业
船舶&近海工程
自动化
光伏行业
汽车行业
医疗&健康行业
精密机床
其他
品牌中心
HUATRAN
德国ME
美国Interface
英国AML
白俄罗斯TT
DynaLabs
更多品牌
关于我们
公司简介
联系我们
新闻资讯
公司新闻
传感知识
行业快讯
网站更新日志
0755-82908211
info@sensorstech.com
耐特恩公众号
友情链接:
必优
|
必优网
|
华创测试
|
多分量传感器
|
力传感器
|
压力传感器
|
扭矩传感器
Copyright © 2022 深圳耐特恩科技有限公司
粤ICP备09181574号
网站地图
粤公网安备 44030602001199号
犀牛云提供云计算服务
ignore
5
电话
ignore
1
QQ
业务咨询
技术服务
6
二维码
ignore
分享