0755-82908211 info@sensorstech.com 耐特恩网站
Products 产品详情
6KA225 系列六分量传感器
6KA225 系列六分量传感器
上市日期: 2025-12-31

HUATRAN

量程范围: Fxyz =50kN-500kN,Mxyz =10kNm-20kNm

精度范围: ≤0.3%F.S

六轴力传感器适用于可在三个相互垂直的轴向进行力和扭矩测量 ,具有大扭矩测量范围与小外径的双重优势

适用于空航天 ,机器人领域(如碰撞检测.机器末端控制), 磨床切削力 ,运动力学等场景测量控制

  • 技术参数
  • 尺寸图
  • 相关下载

   


   

   

量程

Fx/Fy:50kN-200kNFz:100kN-500kNMx/My/Mz:10kNm-20kNm

额定力 Fx

±50kN,±100kN,±200kN

额定力 Fy

±50kN,±100kN,±200kN

额定力 Fz

±100kN,±250kN,±500kN

额定力 Mx

±10kNm, ±15kNm, ±20kNm

额定力 My

±10kNm, ±15kNm, ±20kNm

额定力 Mz

±10kNm, ±15kNm, ±20kNm

灵敏度

0.8-1.5 mV/V

零点输出

≤3%F.S

安全过载

200%F.S

极限过载

400%F.S

外壳材质

合金钢

      

参数指标

线性度

0.5%FS

重复性

0.1%FS

串扰

4%FS

电气参数

参数指标

激励电压

5~10VDC

输入阻抗

350±30 Ω

输出阻抗

350±30 Ω

接口方式

参数指标

输出接口

航插接口(默认)

线缆长度

5m(默认)

温度环境

参数指标

工作温度

-20 ~ 60 

存储温度

-20 ~ 85 

防护等级

IP65

其他

参数指标

尺寸

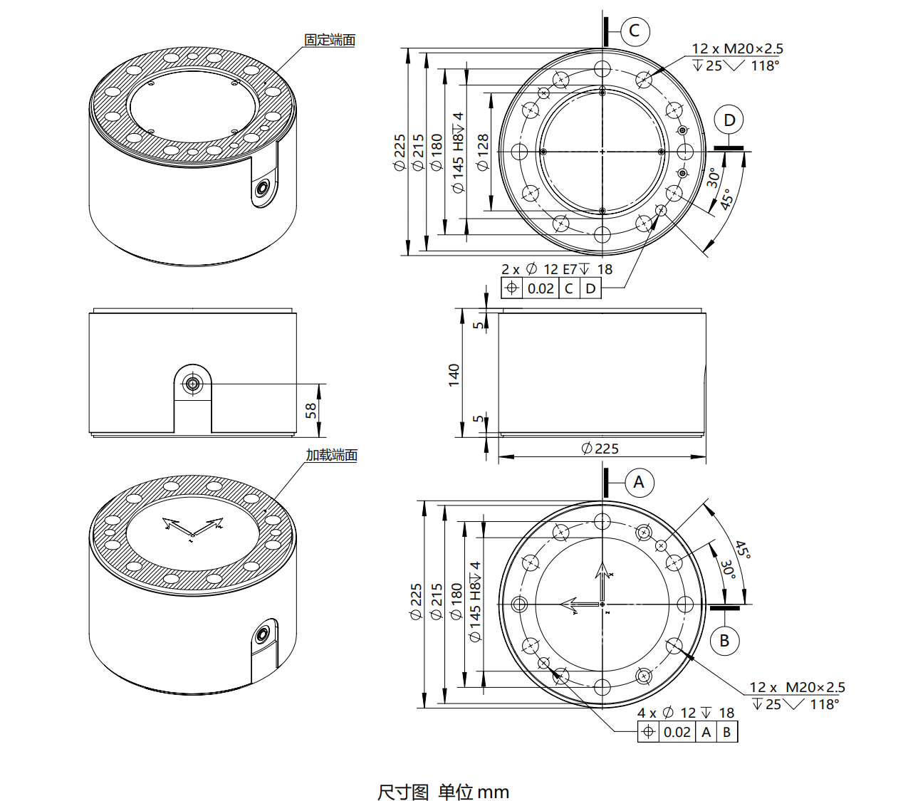
Φ225 * H140mm ,具体见尺寸图



6KA225 系列六分量传感器

0755-82908211 info@sensorstech.com 耐特恩公众号
友情链接:    必优  |  必优网  |  华创测试  |  多分量传感器  |  力传感器  |  压力传感器  |  扭矩传感器
Copyright © 2022 深圳耐特恩科技有限公司



 

 

犀牛云提供云计算服务
ignore
5
电话
    ignore
6
二维码
    ignore
分享