0755-82908211 info@sensorstech.com 耐特恩网站
Products 产品详情
HKD80S S型力传感器
HKD80S S型力传感器
上市日期: 2026-02-27

HUATRAN

量程范围: 100N-200KN

精度范围: 0.05%F.S

高精度电子应变片原理

S 型结构设计,拉压双向,安装使用方便灵活

合金钢材料

  • 技术参数
  • 尺寸图
  • 相关下载

参 数 类 型


量程

100、200、500、1k、2k、5k、10k、20k、50k、100k、200kN

灵敏度

0.5~1.5mV/V

零点输出

≤2%F.S

安全过载

150%F.S

极限过载

200%F.S

产品材质

合金钢

精      度


线性度

≤0.05%F.S

重复性

≤0.05%F.S

滞后性

≤0.05%F.S

电气参数


激励电压

5~12VDC

输入阻抗

1100±35Ω

输出阻抗

1000±15Ω

绝缘电阻

≥2000MΩ/50VDC

接口方式


输出接口

直出线

线缆长度

2m(默认)

温度环境


工作温度

-20 to 70 ℃

存储温度

-20 to 85 ℃

防护等级

IP42

其他


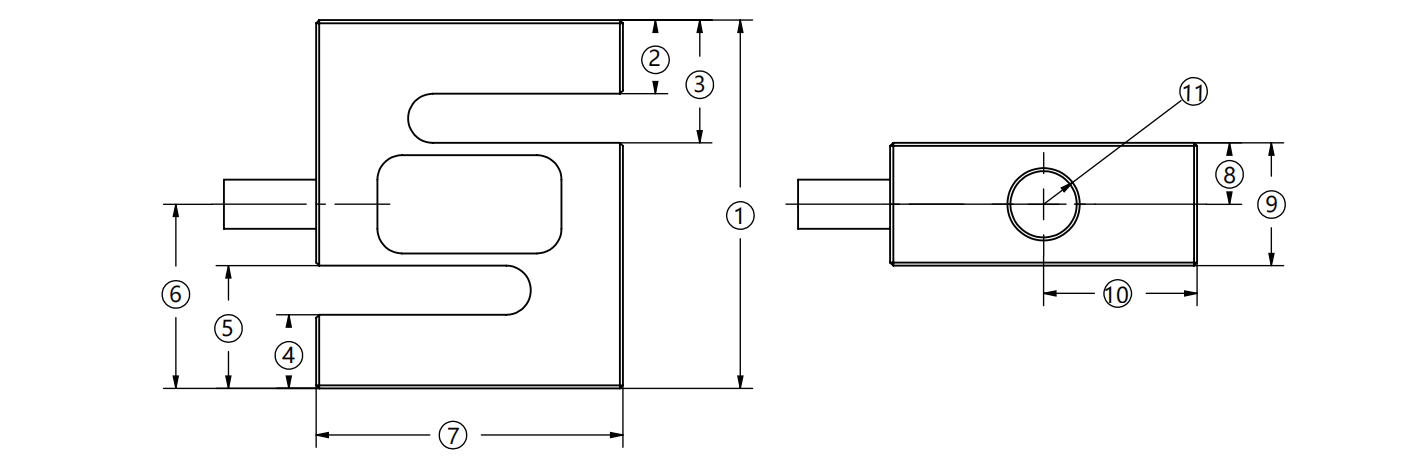
尺寸

具体见尺寸表


HKD80S S型力传感器



HKD80S S型力传感器

0755-82908211 info@sensorstech.com 耐特恩公众号
友情链接:    必优  |  必优网  |  华创测试  |  多分量传感器  |  力传感器  |  压力传感器  |  扭矩传感器
Copyright © 2022 深圳耐特恩科技有限公司



 

 

犀牛云提供云计算服务
ignore
5
电话
    ignore
6
二维码
    ignore
分享